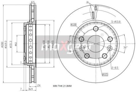
Tarcze hamulcowe

Sortuj:

Cena

Od
Do